特長 バルブと継手が一体化しているので、配管部品点数が少なく、配管時間を短縮できます。 小型で使いやすく、機密性が高いので操作がスムーズです。 ステンレス製タイプのものはサビに強く耐食性があります。 ボールバルブには流体方向はあり 耐腐食性に優れたバルブ 『ボールフートバルブ』は、スクリーンの一体成形製造により、接続部の 強度がアップしたチェックバルブです。 当製品は、流体抵抗の少ない流路構造。 部品数が少なく接続箇所が1カ所のため、外部の応力影響を受けにくくバルブアクチュエータはバルブの種類(バタフライバルブ・ボールバルブ等)・流体・作動速度・制御方法 (onoff・コントロール)などによって選定されます。 バルブトルクに対するバルブアクチュエータ出力トルクの安全率の目安を下表に示します。 複 作 動
17 号 サニタリー用ボールバルブ Astamuse
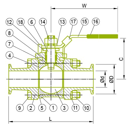
ボールバルブ 構造 名称
ボールバルブ 構造 名称-V シリーズ・ニードル・バルブ 3 Parker Hannifin Corporation 型式名:4ZV4LKSS Oリング・ステム・シール 材質(PTFE パッキン使用時) * RおよびNステム付きV8およびV12シリーズ・バルブ用ハンドルはアルミニウムTバーです。 q1ボールバルブの構造と特長を教えてください。 (1) ボールバルブの構造 ① 弁箱(本体)の中で弁体(ボール)が弁棒(ステム)を軸に回転して流体を制御 する



エスロンボールバルブ 積水化学 Bv25sx Ts式pvc
菊ハンドルは信頼されるバルブのブランド「KITZ(キッツ)」のシンボルです。 A "CHRYSANTHEMUMHANDLE®" is a symbol of KITZ, the brand of valve reliability取扱説明書 hv014j16 ボールチェックバルブ, 自在型ボールチェックバルブ, ボールフートバルブ 1 本取扱説明書は、弊社製品を安全にご使用いただくための重要な事柄について記載しています。ボールバルブ p043 p053 p055 p057 p065 p067 p069 p073 p073 ボールバルブ21型・21α型 注(1)ボールタイプのバルブには構造的にデッドスペースが存在いたしますが、過酸化水素水(h2o2)
・フルボア(ボールジスク口径とバルブ呼び径が等しい)のものは、バルブの中で、最も流体抵抗が小 さい。 ・フルボアの他に、ボールジスク口径がバルブ呼び径の1段落ち及び2段落ちのレジューストボアがあ る。 ・90度開閉操作であり、自動化に適している。製品詳細はこちら BSS22/126/2型 蝶ハンドル型 ステンレス製ボールバルブ(08A~50A) 特長コンパクトな蝶ハンドルを採用した、ハマイの代表的ステンレス製ボールバルブ。 狭所配管に最適で、ワンピース(一体型)構造の高靱性鍛造ボディが漏れを ダイヤフラムバルブは図1に示す通り、大きく分けると「 本体 」「 ダイヤフラム 」「 駆動部 」の3つの ユニットにより構成されます。 ダイヤフラムが駆動部を流体より隔離すると共に、駆動部によって 引上げ、或いは本体の弁座に押し付けられること
ボールバルブ ボールバルブは、外周に弁座面をもつ球状の弁体が弁棒を軸に回転し流体を制御する構造のバルブです。 ケーシングの弁座には、主にテフロンが採用されています。 バルブ全開時に、口径内に弁体が残らず、優れた流量特性を発揮します。 ボールバルブの長所 全開時の圧力損失が小さい。 開閉のトルクが小さい。 90° の回転で流路の遮断と開放ができるので急開閉が可能、かつ開度も わかりやすい。 構造上コンパクトにでき、特に呼び径が大きいほど小型化の効果が 大きい。 ボールバルブの 松井製作所のボールバルブ 構造 メリット 漏れ検査 組立 ニードル 使い分けの技術や価格情報などをご紹介。大阪でボールバルブの組立ならお任せ下さい!ボールバルブ 構造 メリット 漏れ検査 組立 ニードル 使い分け。イプロスものづくりではバルブなどもの技術情報を多数掲載。



2



ボール弁 Valveconsul Jimdoページ
ニードルボールバルブ Needle Ball Valves 従来、ボールバルブで困難だった流量調整が 誰にでも簡単に出来る、開度表示目盛り付き流量調整用手動ボールバルブです。 ボールバルブ同様の完全閉止と、グローブバルブ・ニードルバルブ同様のイコール多種類のバルブが構成でき、パイロットプラントやサンプリング向けに最適なバルブ 小口径ユニバーサルバルブ(1000シリーズ)一覧 へ ( 6種 ) タンクバルブ タンク底に設置して使用、液溜まりの少ない構造のバルブ タンクバルブ一覧 へ ( 4種 ) リリーフ偏心構造のステンレス製セグメントボールバルブです。 セグメントボールバルブ 施工例 異物を含んだ流体での使用例もございます。 お気軽にご相談ください。 セグメントボールバルブ 構造 製品一覧表 仕様 圧力温度レーティング シート材質 手動式



内圧上昇について 技術資料 株式会社 日阪製作所 バルブ事業本部



日本ボールバルブ U102f N
3 ボールバルブの基礎知識 31 ボールバルブとは ボールバルブのボディ内 (弁箱内)で、ステム (弁棒)を軸としてボールが回転する構造のバルブです。 半導体、食品、医療など多種多様な分野で流体を流す、止めることを目的として使用されていますバルブ グローブ バルブ ボール バルブ ゲート バルブ 1 5 02 07 バタフライ バルブ グローブ バルブ ボール バルブ ゲート バルブ P=Constの場合 % Cv クイックオープン リニヤ イコール% % 開 度 0 40 60 80 100 0 40 60 80 100 開 閉 開 閉 開 開 閉 開 閉 閉ボールバルブ レデュースドボア 黄銅製 モノタロウ ¥759~ 税込¥5~ バルブ種類 ボールバルブ 形状 ストレート 使用流体 水、油、ガス、蒸気 接続方式 ねじ込み形 ハンドル形状 レバー式 最高使用圧力 (MPa) 412 (常温の水、油、ガス)、098 (飽和蒸気



ダウンロード Manualzz



キッツ Kitz 給湯器用チャッキ弁付吸水ボールバルブ K S24nkog 呼び径1 2 テーパーおねじ 平行おねじ めっき付 Kitz Kz 1yz 009 キヤマザ建材 通販 Yahoo ショッピング
この弁は、コントロールバルブとして最も基本的なもので、構造は図2.3の通りとなります。ポジショナーにコントローラ ーからの信号を受け、内弁を開-閉する構造になっています。 図2.3 2)シリンダ駆動式ボール弁(コックと同様回転式)バルブの開閉状態を検知する磁気近接スイッチです。 ボールバルブ brw/brwh 手動 自動 コンパクトでシンプルな構造の配管作業が容易な90°開閉ボールバルブです。着脱可能なマントルヒータもご用意しております。 真空バタフライバルブ ivwf 手動 自動バルブには、使用目的や材料などの違いにより、様々な種類があります。 そんな多数あるバルブの種類とそれらの構造について、ご紹介します。 バルブの基礎知識/技術研修 > バルブの基礎知識 > どのような構造をしているの?



ボールバルブ



バルブとは 種類 構造 形状
コンパクトボールバルブ27型(13~50mm) 納入図 27型_27M1001JJ(472 KB) セット部品_27型_BS064J(579 KB) ボールバルブ21・21α型(13~100mm) 納入図スタンダードボア三方ボールバルブは『開・閉』動作により液体の流れを二方向いずれかへの切替えが出来ます。 詳細 ボールバルブ とは 止水部がボール状で、ボデーの弁座にソフトシートを組み込み、コックに類似する構造です。Ktm om2ボールバルブ 大気汚染防止(エミッションコントロール)構造とisoマウント基準を採用した新しいタイプのボールバルブです。 最終更新日: pdfダウンロード



グローブバルブとゲートバルブの見分け方 パーフェクトバルブ パーフェクトバルブ



17 号 サニタリー用ボールバルブ Astamuse
セグメントボールバルブ<偏心構造ボールバルブ>(pdf:) 手動弁(鋳鋼・鍛鋼) 鋳鋼弁・鍛鋼弁(pdf:) 鋳鋼・鍛鋼製ベローズバルブ(pdf:) ガス弁 ガス用バルブ(pdf:) 自動弁 ハイトルク(pdf:) タイニーシリーズ ステンレス製小型自動操作ボールバルブ(pdf



1



大明金属工業 製品案内



製品概要 蒸気のことならテイエルブイ



ステンレスボールバルブ Sbfs2 水道資材の工藤建材



ボール弁 Valveconsul Jimdoページ



配管の仕切バルブの種類と特徴 アピステコラム 冷却 防塵 放熱など熱対策ならアピステ



ガスバルブ フランジ形ダクタイル鋳鉄製ボールバルブ ガス管用機材の協成



全溶接形鍛鋼製ボールバルブ バルブの総合メーカー 株式会社キッツ Kitz



ボールバルブとは 種類 構造 向き 記号まとめ 金属加工の見積りサイトmitsuri ミツリ



止水構造で用途が異なるバルブ



Pfaライニングボールバルブ



日本ボールバルブ 102f



03 号 y字型三方ボールバルブ Astamuse



配管の仕切バルブの種類と特徴 アピステコラム 冷却 防塵 放熱など熱対策ならアピステ



配管バルブの種類と使用目的に応じての使い分けをまとめてみました



Wo16 1066号 トラニオン型ボールバルブ並びにバルブのシール構造とバルブ用パッキン Astamuse



ールバルブの基礎知識 株式会社ハマイ 製品情報



日本産 P 代引不可 Tascoタスコ ボールバルブ式ゲージマニホールド Ta124ek Tas0218 美しい Www Cahsd Org



ボールバルブとは 種類 構造 向き 記号まとめ 金属加工の見積りサイトmitsuri ミツリ



バルブのいろは 1 ー構造と接続方法ー 滋賀県東北部工業技術センター



Ktm グラタイトシートボールバルブ エマソンバルブアンドコントロールジャパン Powered By イプロス



ボールバルブ使用時に押さえておきたい3つのポイント 配管工のお役立ちノート



Nbsバルブ 高温 高サイクル 長寿命で漏れないバルブ 蒲田工業



メーターボール 製品ラインナップ 小型ボールバルブのアソー株式会社



ボール弁 Valveconsul Jimdoページ



Sealquicksearcher



ボールバルブについて 技術資料 株式会社 日阪製作所 バルブ事業本部



2



エスロンバルブ ボールバルブ 積水化学工業 Misumi Vona ミスミ



サニタリーボールバルブプロバイダー ステンレス鋼管継手メーカーeverfit Technology Co Ltd



バルブの種類と選び方 通販モノタロウ



ボールバルブ



ボールバルブ



Cssd 分割式サニタリーボールバルブ 株式会社コンサス



樹脂製ボールバルブ 機器 耐強酸性 耐強アルカリ性



ボールバルブ フランジボールバルブ ミスミ Misumi Vona ミスミ



1



バルブの種類と構造 株式会社 昭和バルブ製作所



ボールバルブとは 種類 構造 向き 記号まとめ 金属加工の見積りサイトmitsuri ミツリ



大同のステンレスボールバルブ 大同特殊鋼 創業100周年特設サイト



2



ボールバルブ 総合バルブメーカー 株式会社ケイヴイシー



ボールバルブとは 種類 構造 向き 記号まとめ 金属加工の見積りサイトmitsuri ミツリ



Mogas Industries Inc メタルシート ボールバルブ 守谷商会 メタルシート ボールバルブ



基本的なバルブの種類 バルブと継手のきほん バルブ 継手 システム等の製品技術サポート情報 株式会社フジキン



用途別にご紹介 ステンレス容器に設置するバルブ特集 日東金属工業株式会社



プライスダウン30 Off カクダイ サニタリーボールバルブ フルボアタイプ ボルト締付構造式 呼び1 5s ハンドルロック機構付 691 31 C 上質で快適 R4urealtygroup Com



17 号 ボールバルブ Astamuse



ボールバルブの構造 バルブ 操作機の開発 製造 自動弁の総合メーカー 日本バルブコントロールズ株式会社



ボールバルブの種類の見分け方 Kitzのハンドルの色の違い 機械組立の部屋 Kikaikumitate Com



600型 ステンレス鋼ボールバルブ レデューストボア Utkシリーズ キッツ Kitz ボールバルブ 通販モノタロウ Utk



三方ボールバルブ 水道資材の工藤建材



自動ボールバルブ ダブルトルクシリンダ 株式会社オーバル



日本ボールバルブ M2f N



よくあるご質問 アーカイブ アビトップ株式会社



機械設計マスターへの道 バルブの種類 特徴 使い方をスッキリ整理 流量特性などの前提知識もチェック アイアール技術者教育研究所 製造業エンジニア 研究開発者のための研修 教育ソリューション



Seal限定商品 楽天市場 キッツ Kitz 青銅製10k 二方 ねじ込み形ボールバルブ グランド構造 Kitz C Tge 型式 Kitz C Tge 10 新品 住宅設備のプロショップdooon 驚きの安さ Lexusoman Com



Chg 25 E V エアオペレイト式ボールバルブ 3ポート弁 コンパクトロータリバルブ Chg Chg R ckd Misumi Vona ミスミ



ガス用ボール弁 製品 株式会社クボタ バルブ



Wo16 1066号 トラニオン型ボールバルブ並びにバルブのシール構造とバルブ用パッキン Astamuse



プライスダウン30 Off カクダイ サニタリーボールバルブ フルボアタイプ ボルト締付構造式 呼び1 5s ハンドルロック機構付 691 31 C 上質で快適 R4urealtygroup Com



1999 号 ボールバルブのシール構造 Astamuse



一般社団法人日本バルブ工業会



一般社団法人日本バルブ工業会



配管の仕切バルブの種類と特徴 アピステコラム 冷却 防塵 放熱など熱対策ならアピステ



旭有機材工業 ボールバルブ21型 U Pvc製 フランジ形 100a V21lvuvf100 配管 配管部品 塩ビ 弁 継ぎ手 旭有機材 仕切弁 塩ビ継手 配管材料 ボール弁 塩ビ配管 止水 塩ビバルブ 玉形弁 止水栓 二方弁 手動弁 樹脂管 樹脂バルブ バルブ 配管継手 継手 塩ビ管 塩ビパイプ



日本ダイヤバルブ ボールバルブの構造と特長を教えてください 高品質なダイヤフラムバルブ ボールバルブ バタフライバルブを提供します



ボールバルブのハンドル取付構造



Pfaライニングボールバルブ バルブの総合メーカー 株式会社キッツ Kitz



バルブとは何か ー その役割 種類と構造 トピックス 高性能バルブの代名詞スモレンスキとdics事業部の株式会社イシザキ



エスロンボールバルブ 積水化学 Bv25sx Ts式pvc



製品概要 蒸気のことならテイエルブイ



Pbv ポケットレスボールバルブ 日東金属工業株式会社



超強力なオリジナル炭酸飲料を作れる教材 pvcボールバルブの内部構造



日本ダイヤバルブ バタフライバルブの構造と特長を教えてください 高品質なダイヤフラムバルブ ボールバルブ バタフライバルブを提供します



日本ダイヤバルブ ダイヤフラムバルブの構造と特長 高品質なダイヤフラムバルブ ボールバルブ バタフライバルブを提供します



Sealquicksearcher



ボール弁 ボールバルブ バルブ 弁



ボールバルブ フランジボールバルブ ミスミ Misumi Vona ミスミ



最新情報 Msバルブ 電動ボールバルブ 10kフランジ式 Vbef25 100 単相100v 人気満点 Www Cutiscosmeticplasticsurgery Com



バルブ内に液が溜まらないポケットレス構造のボールバルブ Pbv 日東金属工業 Powered By イプロス



1



ステンレス Csf ねじ込みボールバルブ コンサス Misumi Vona ミスミ



中国 Frppダブルユニオンボールバルブ メーカー 工場 ボブ アウディ プラスチック バルブ株式会社



日本ダイヤバルブ ボールバルブの 流れ方向 について教えてください 高品質なダイヤフラムバルブ ボールバルブ バタフライバルブを提供します



大明金属工業 製品案内



カクダイ サニタリーボールバルブ フルボアタイプ ボルト締付構造式 呼び1 5s ハンドルロック機構付 691 31 C 電材堂ヤフー店 通販 Yahoo ショッピング



グローブバルブとゲートバルブの見分け方 パーフェクトバルブ パーフェクトバルブ



ボールバルブ製品案内 Yone株式会社



三方ボールバルブ 水道資材の工藤建材



1



ールバルブの基礎知識 株式会社ハマイ 製品情報



バルブの種類と構造 株式会社 昭和バルブ製作所



製品概要 蒸気のことならテイエルブイ


0 件のコメント:
コメントを投稿